Если вы продолжите пользоваться Веб-сайтом, не изменив настройки, то вы тем самым выражаете согласие на использование файлов cookie на Веб-сайте в соответствии с политикой использования файлов cookie, размещенной на сайте.

Р1-3

Р1-3

по запросу

Ожидаемое время поставки на склад:
по запросу

* В связи с текущей экономической ситуацией, поставка позиций некоторых брендов США невозможна. Информацию о возможности поставки уточняйте у менеджера.

Номенклатурный номер:
131958110

Производитель:
Эркон

Дата обновления:
07.04.2026

Описание

Купить ВЧ и СВЧ резисторы и поглотители Р1-3 оптом и в розницу по лучшим ценам. Большой выбор качественных электронных компонентов от ведущих производителей в компании База Электроники. Быстрая доставка по всей России и странам СНГ.

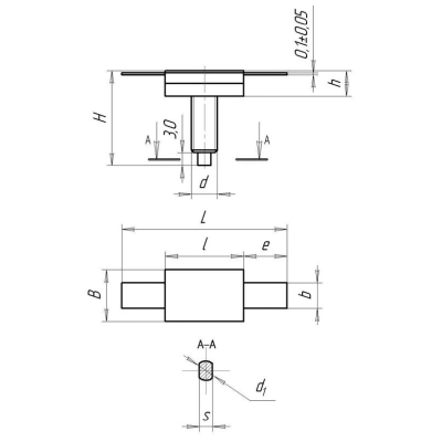
Р1-3 - резисторы постоянные непроволочные высокочастотные всеклиматического исполнения, предназначены для работы в полосковых устройствах. Мощность рассеяния, (Вт): 10; 25; 50 Диапазон сопротивлений: 5,11...301 Ом Допускаемое отклонение, (%): ±1; ±5 Рабочая частота, (ГГц): 0,6; 1,5 Категория качества: ОТК , ВП , ОСМ ТУ: ОЖ0.467.153 ТУ

Результаты поиска по позиции

Склад Производитель Отгрузка, дней Наличие, шт. Цена, руб. Обновлен Мин. партия Кол-во
1264 Эркон по запросу 999999999по запросу 999999999по запросу 07.04.2026 1
Распродажа в товары